アンモニア除去・回収装置 Ammonia stripper / Ammonia recovery plant
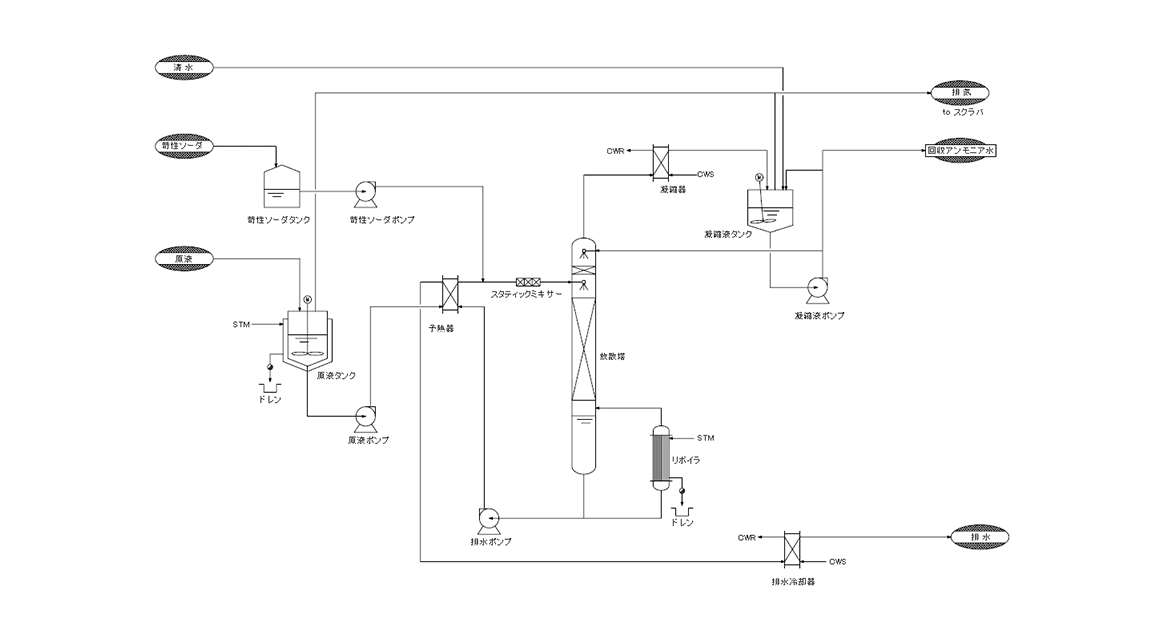
プロセス概要
用途に応じた濃度のアンモニアの回収
廃水中のアンモニア分を放散回収することにより、廃水中の窒素濃度に対する水質汚濁防止法の排出基準に対応できます。スチームで放散する方法と空気で放散する方法があり、特に硫安として回収する場合は空気放散を用いることもできます。回収されるアンモニアは、用途に応じた濃度のアンモニア水から100%までのアンモニアガスとすることができます。また、特にアンモニアを回収しない場合は、触媒による分解・熱分解などを行います。弊社では、樹脂製規則充填物MIRAXを用いて、高性能充填塔によるアンモニア放散設備を設計します。

特徴
- 必要濃度でアンモニアを回収
- 樹脂製規則充填物を使用した放散塔設計
- ヒートポンプを組み込んだ省エネルギータイプ
- 回収アンモニアの完全分解処理も対応
適用例
- 廃水の生物処理の前処理
- 非鉄金属精錬・製造工程廃水処理
- ボイラ排ガス処理廃水からのアンモニア回収

