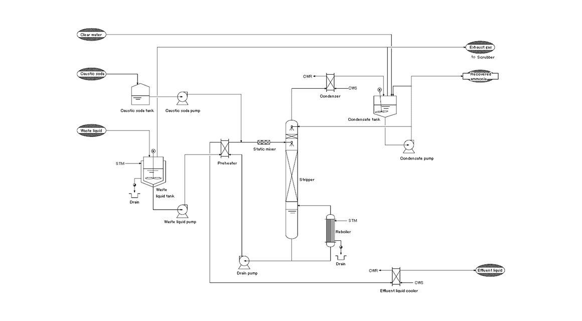
Ammonia stripping / decomposition process
Ammonia recovery of required concentration
The ammonia in the waste water is recovered as ammonia aqueous solution or gas.
Ammonia decomposition by catalytic reactor is also possible.

Features
- Ammonia recovery of required concentration
- Energy-saving type with heat pump
- Complete decomposition of recovered ammonia by using catalyst
- Air stripping with out using steam is possible.In addition, recovering stripped NH3 gas as salt solution by acid is possible.
Application examples
- Waste liquid containing ammonia, distillated waste liquid of evaporator, waste liquid of semiconductor system.



